
产品介绍
活塞式压力计(以下简称压力计)主要适用于校验精度等级低于0.25级的精密压力表,亦可用来校验低一等级的活塞式压力计,各种工业用压力表或其他各类压力测量仪器,压力计适合在周围温度为10℃~30℃、相对湿度不大于80%的条件下工作。
主要技术指标
准确度等级 | 允许误差 | |
0.05级 | 压力值在测量范围下限以下时, | 压力值在测量范围以内时, |
0.02级 | 压力值在测量范围下限以下时, | 压力值在测量范围以内时, |
基本参数 | ||||
项目 | 单位 | YU-6 | ||
标称范围 | MPa | 0.04~0.6 | ||
测量范围 | MPa | 0.04~0.6 | ||
活塞公称面积 | cm² | 1 | ||
承重底盘及活塞 | 公称质量 | Kg | 0.408 | |
产生压力 | MPa | 0.04 | ||
专用砝码 | 产生压力 | Kg | 0.01 | 0.05 |
块数 | 块 | 6 | 10 | |
工作液体及传压介质 | - | 变压器油(20℃时运动粘度9×10-6~12×10-6m2/s) | ||
压力计重量(连砝码) | Kg | 25 | ||
联接螺帽 | mm | M20×1.5 | ||
结构与原理
压力计乃是应用静压平衡原理的计量仪器:即活塞本身和加在活塞上的专用砝码重量(G)作用在活塞面积(S)上所产生的压力(P)与液压容器内所产生的压力相平衡,来测定被校验仪表的压力大小:P=G/S 式中G=mg(m:砝码质量,g:重力加速度)产品出厂时g值用标准重力加速度来定。用户使用时g值应该当地重力加速度来定,并按计算值修正砝码G的重量
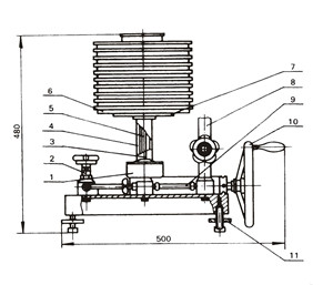
压力计系由校验泵(压力发生系统)和活塞部分(压力测量系统)两部分组成。
校验泵(压力发生系统)包括手摇压力泵(13)、油杯(1)、进油阀(3)及两个针形阀(2)、(15),在针形阀(15)上装有联接螺帽(8),用以连接被校验的压力表。
活塞部分(压力测量系统)由经过精密研磨后具有准确截面的活塞(5)、活塞缸(4)及与活塞直接相连的承重底盘(7)、承重底盘上的砝码(6)所组成。
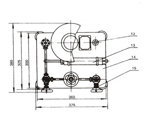
校验泵和活塞部分安装在同一底座(14)上与导管(9)相连,中间装有针形阀(2)。整个压力计由四个水平调节螺丝(11)支撑,并借以装于底座上的水平泡(12)用以校准水平位置。
外形尺寸图
1.油杯 2.针形阀 3.进油阀 4.活塞缸 5.活塞 6.砝码 7.承重底盘 8.联接螺帽 9.导管 10.压力泵手轮 11.水平调节螺丝 12.水平泡 13.手摇压力泵 14.底板 15.针形阀



