| 添加时间: | 2020-08-21 09:55:16 |
|---|
- 电 话:021-5662 9198
- 邮 箱:shziyigf@163.com
| 添加时间: | 2020-08-21 09:55:16 |
|---|
电磁流量计是经过不断升级改良的高精度、高可靠性产品,该流量计在励磁技术,内衬技术,智能化技术方面达到了国内xj****水平。适用于测酸、碱、盐溶液、泥浆、纸浆、废水等导电介质的体积流量,测量管内无突出件,因此无附加压力损失。流量计具有测量精度不受介质压力、温度、密度(包括固液比)、粘度等物理参数变化的影响的特点,仪表灵敏,测量范围度大,抗干扰能力强,零点稳定,工作可靠。
传感器有防爆型,防爆等级为:mdⅡBT4。
本产品执行检定规程:JJGl98-94速度式流量计检定规程。
电磁流量计特点
● 可编程频率低频矩形波励磁,提高了流量测量的稳定性,功率损耗低;
● 测量可靠,精度高,流量测量范围可达1500:1;
● 全汉字菜单操作,使用方便,操作简单,易学易懂;
● 具有双向流量测量、双向总量累计功能,电流、脉冲具备双向输出功能;
● 具有RS485或RS-232C数字通讯信号输出;
● 仪表内部设计有不掉电时钟,可记录16次掉时间。
电磁流量计主要技术指标
成套精度: | 口径Φ10~250:± 0.5%、±1.0% |
口径Φ300~1200:±1.0%、±1.5% | |
介质电导率: | >20uS/cm |
输出信号: | 0~10mA DC或4~20mA DC 0~lkHz脉冲信号 |
通讯信号: | RS485或RS-232C |
公称压力: | 口径Φ10~50:4.OMPa |
口径Φ65~125:1.6MPa | |
口径Φ150~1000:1.0MPa | |
口径Φ1200:0.6MPa | |
工作电流: | ≤0.5A |
防护等级: | 标准型IP65,特殊型IP67 |
供电电 源: | ~220V AC,50Hz;或24V DC(特殊订货) |
连接法兰: | 机标JB/T81-94,国标GB9119-2000或按用户需要 |
电磁流量计材料
主体材料: | 测量管-耐酸钢SUS304 |
外壳- Q235钢 | |
衬里材料: | 口径Φ10~20:聚四氟乙烯 |
口径Φ20~300:聚四氟乙烯、氯丁橡胶、及(特殊订货)聚氨酯、耐酸橡胶 | |
口径Φ350~1200:聚四氟乙烯、氯丁橡胶 | |
电极材料: | 含钼不锈钢OCr18Ni12Mo2Ti |
或钛Ti | |
或钽Ta | |
或铂Pt | |
或哈氏合金等 |
电磁流量计常用衬里材料的性能及其适用范围见表
衬 里 材 料 | 主 要 性 能 | 适 用 范 围 |
聚四氟乙烯 PTFE | 1、塑料中化学性能***稳定的一种材料,能耐沸腾的盐酸、硫酸、******和王水,也能耐浓碱和各种有机溶剂。 2、耐磨性和粘接性能差。 | 1、-40℃~+180℃ 3、卫生类介质 |
氯丁橡胶 (Neoprene) | 1、有******的弹性,高度的扯断力,耐磨性能好。 2、耐一般低浓度酸、碱、盐介质的腐蚀,不耐氧化性介质的腐蚀 | 1、<65℃ 2、测一般水、污水、泥浆、矿浆 |
聚氨酯橡胶 | 1、有******的耐磨性能(相当于天然橡胶的十倍) | 1、<40℃ 2、中性强磨损的矿浆、煤浆、泥浆 |
耐酸橡胶 (硬橡胶) | 可耐常温下的盐酸、醋酸、草酸、氨水、磷酸及50%的硫酸、氢氧化钠、氢氧化钾,忌强氧化剂。 | 1、<90℃ 2、一般的酸、碱、盐溶液 |
用户选用LDCK-100,其***小流量为10m^3/h;***大流量可在28、55、90、110、140、170....280m^3/h范围内选择其中一个流量值,也可以选用表中流量点之间的流量值为***大流量,如选用60m^3/h或80m^3/h为***大流量。
电磁流量计电磁流量计型号表示

例1:LDCK-100JM16MA1OOY/TBS
说明:电磁流量计公称通径100mm、衬里材料聚四氟乙烯、电极OCr18Ni12Mo2Ti、公称压力1.6MPa、接地环材料OCr18Ni12Mo2Ti、输出电流4~20mA、***大流量100m^3/h、安装方式一体型、带显示器(显示:瞬时、累积)。
例2:LDCK-150LH1OMB200F/TBS
电磁流量计公称通径150mm、衬里材料氯丁橡胶、电极哈氏合金、公称压力1.OMPa、接地环材料OCr18Ni12Mo2Ti、输出电流0~10mA、***大流量200m^3/h、安装方式分离型、带显示器(显示:瞬时、累计)。
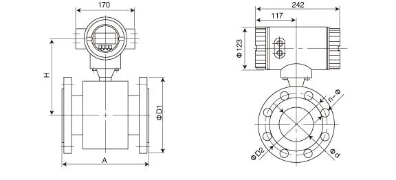
电磁流量计外形尺寸及重量


电磁流量计安 装
1.流体流动的方向应与传感器上箭头所指的方向一致;
2.须***保证流量计的进口端5D以上,出口端3D以上的直管段(D=传感器内径);
3.传感器应接地******,接地电阻应小于10Ω;
4.安装位置应避免能产生强大交流磁场的场合;
电磁流量计推荐安装位置
