| 添加时间: | 2020-08-20 17:02:21 |
|---|
- 电 话:021-5662 9198
- 邮 箱:shziyigf@163.com
| 添加时间: | 2020-08-20 17:02:21 |
|---|
浮球液位计概述
UQZ系列浮球液位计是用于直接指示各种敞开或承压容器内液位高度的指针式仪表。该仪表与工业设备上常用的玻璃液位计相比较,它不怕破裂,示值更为清晰,尤其适用于对玻璃管壁有粘滞作用的油污类液体介质或者有毒有害的介质的直接指示。
仪表属纯机械结构,故在易燃易爆场所工作时,具有本质安全性。
UQZ 1系列浮球液位计为顶装式仪表,可用于地下水池或油库等容器的液位指示。
UQZ 2系列浮球液位计具有较强的抗震能力,可以用于移动的装置,如槽车等安装使用。该仪表的各项指标均符合一九八一年二月原国家劳动总局颁发的(液化石油气槽车安全管理规定)中液位计的要求。
UQZ系列型仪表不适用于对黄铜、铝、不锈钢等材质有较强腐蚀作用的介质。
浮球液位计主要技术指标
准确度:UQZ-1型:2.5%
UQZ-2型:2.5级
环境温度:1型 -25~+55℃ 1型,2型 -40~+55℃
介质温度:≤120℃
安装形式:UQZ-1型:顶装式,法兰连接(法兰由用户自制。本厂提供安装接头)。
UQZ-2型:侧装式,法兰连接。
UQZ—□—□—□—□
| □ 安装型式 | 1,顶装式 |
| 2,侧装式 | |
| □ 测量方式 | 00,测量方式满意 |
| 01.测量方式空度 | |
| □ 介质密度 | 0,介质密度³700kg/cm3 |
| 1介质密度³400kg/cm3 | |
| 2,液氨方式空度 | |
| □ 测量范围 |
浮球液位计型号表示
型号 | 介质密度g/cm3 | 量程m | 测量方式 | 介质压力Mpa | 浮球直径(mm) | 安装法兰 | 适用范围 |
UQZ-1-000 | ≥0.7 | 1,1.5,2,2.5 | 满度 | ≤1.6 | Ø126 | 1· 当仪表用于非承压容器时,用户利用制造厂提供的安装接头自制非标注法兰 2· 仪表用于承压容器时,用户按图纸自制法兰 3· 法兰单考标准GB9119-2000PN1-6DN125 | |
UQZ-1-001 | ≥0.4 | 1,1.5,2,2.5 | Ø200 | ||||
UQZ-1-010 | ≥0.7 | 1,1.5,2,2.5 | 空度 | Ø126 | |||
UQZ-1-011 | ≥0.4 | 1,1.5,2,2.5 | Ø200 | ||||
UQZ-1-000 | ≥0.45 | 1,1.5,2,0.5,2.5 | 满度 | ≤1.8 | Ø90 | PN2-5DN100 JB 83-1994 | 液化石油气等轻介质 |
UQZ-1-001 UQZ-1-002 | ≥0.7 | 1,1.5,2,0.5,2.5 | ≤1.8 | Ø90 | 一般液体介质 | ||
1,1.5,2,0.5,2.5 | 液氨等腐蚀性介质 |
浮球液位计安装示意图

浮球液位计UQZ-1安装示意图

浮球液位计UQZ-2安装示意图
浮球液位计外形尺寸
● UQZ-1
● UQZ-2

浮球液位计 安装
浮球液位计UQZ-1安装接头
000 010
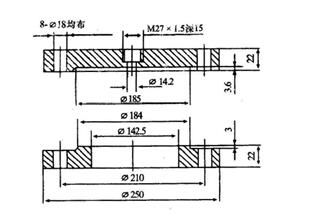
UQZ-1- 型安装法兰(上,下)
UQZ-2安装法兰B制造尺寸

001 011
UQZ-1- 型安装法兰(上,下)
浮球液位计安装使用注意事项
UQZ-1、UQZ-2、系列浮球液位计应安装在其浮球上下运支时不受妨碍的位置上。
被测介质不应含有铁磁性杂质。 为了防止运输时UQZ-1、UQZ-3型仪表的浮球的密封管上高速滑落或撞击,引起测量带脱出,故仪表在出厂前,用卡箍将浮球固定在密封管底部,磁钢在密封管顶部。用户在安装使用前应先拆去卡箍,将浮球上升至密封管顶部。然后轻缓地将浮球下移,指针作相应的转动。 (千万不要动作过快,而造成表内磁钢脱离引带,仪表损坏,浮球有方向性,不要颠倒安装。)
UQZ-1型仪表的面板指示形式类似手表指示形式。长指针刻度为厘米,指针与刻度均为黑色,短指针刻度为米,指针与刻度均为红色。满度测量时指示数字为顺时针方向排列,空度测量时指针数字为逆向时针方向排列。
UQZ-2型仪表出厂时附有安装法兰A,用户应配管道法兰B,用户亦可直接用具有相应密封面的凸缘代替图面中接管式连接。
UQZ-2型仪表的安装僧一般选择在量程之半。如图所示
浮球液位计 订货参数表
| UQZ- | ||||||
| 1 | 顶装 | |||||
| 2 | 测装 | |||||
| OIL | 顶装液化石油气 | |||||
| 00 | 满度(只是液位高度) | |||||
| 01 | 空度指示液位上方空间距离 | |||||
| 0 | 液体密度³0.7(g/cm3) | |||||
| 1 | 液体密度³0.45(g/cm3) | |||||
| 2 | 液氨等腐蚀介质用 | |||||
| L ððð | 测量范围(mm) | 安装高度(mm) | ||||
| H ððð | ||||||
浮球液位计安装使用主要事项
仪表成套性:
UQZ-1浮球液位计:
UQZ-1仪表1只
安装接头1只
UQZ-2浮球液位计:
UQZ-2仪表1只
法兰密封圈1只 安装法兰1只
浮球液位计 订货须知
产品型号,名称
被测介质密度(g/cm3)
测量方式
工作压力
安装形式