您好!欢迎光临!主营产品:压力仪表等
网站地图
免责申明
021-5662 9198
网站首页
新闻资讯
企业新闻
行业动态
产品展示
热电偶
耐磨热电偶
铠装热电偶
防爆热电偶
防腐热电偶
装配式热电偶
炉壁热电偶
表面热电偶
端面热电偶
铂铑热电偶
电站专用热电偶
热电阻
铠装热电阻
装配式热电阻
防爆热电阻
轴承热电阻
耐磨热电阻
端面热电阻
防腐热电阻
表面热电阻
双金属温度计
电接点双金属温度计
工业双金属温度计
远传双金属温度计
压力表
普通压力表
不锈钢压力表
抗振压力表
隔膜压力表
膜片压力表
膜盒压力表
不锈钢差压表
精密压力表
电接点压力表
氨用压力表
双针压力表
电阻远传压力表
高压,超高压压力表
压力变送器
压力|温度变送器
压力变送器
差压变送器
液位变送器
温度变送器
调节阀
电动调节阀
气动调节阀
偏心旋转调节阀
阀门定位器
空气过滤减压器
流量计
涡街流量计
电磁流量计
涡轮流量计
转子流量计
腰轮流量计
靶式流量计
质量流量计
气体流量计
流量计附件
刮板流量计
记录仪
无纸记录仪
有纸记录仪
执行机构
电动执行机构
气动执行机构
显示仪|调节仪
数字显示仪
数字调节仪
流量积算仪
温度远传仪
温度巡检仪
闪光报警器
氧含量显示仪
液位|物位|料位计
浮筒液位计
静压式液位计
电容液位计
浮球液位计
磁致伸缩液位计
射频导纳液位计
超声波液位计
雷达物位计
阻旋式料位开关
浮球液位开关
磁翻板液位计
钢索拉力计
压力流量|温度控制器
流量控制器
温度控制器
压力控制器
差压控制器
称重传感器|显示仪
称重显示仪
称重传感器
静态电阻应变仪
动态电阻应变仪
转速传感器|显示仪
转速显示仪
转速传感器
频率-电流转换器
手持数字转速表
转速记录仪
电流表电压表
电流表
电压表
频率表
功率表
高阻表
计时器
同步指示器
相序指示器
绝缘监测仪
辐射高温计
分厂导航
上海自动化仪表一厂
上海自动化仪表三厂
上海自动化仪表四厂
上海自动化仪表五厂
上海自动化仪表六厂
上海自动化仪表七厂
上海自动化仪表九厂
上海自动化仪表十一厂
上海远东仪表厂
上海自一船用仪表有限公司
上海转速表厂
上海大华仪表厂
上海华东电子仪器厂
技术支持
成果案例
联系我们
关于我们
产品分类
热电偶
热电阻
双金属温度计
压力表
压力|温度变送器
调节阀
流量计
记录仪
执行机构
显示仪|调节仪
液位|物位|料位计
压力流量|温度控制器
称重传感器|显示仪
转速传感器|显示仪
电流表电压表
辐射高温计
生产工厂
上海自动化仪表一厂
上海自动化仪表三厂
上海自动化仪表四厂
上海自动化仪表五厂
上海自动化仪表六厂
上海自动化仪表七厂
上海自动化仪表九厂
上海自动化仪表十一厂
上海远东仪表厂
上海自一船用仪表有限公司
上海转速表厂
上海大华仪表厂
上海华东电子仪器厂
联系我们
电 话:021-5662 9198
传 真:021-3325 0422
邮 箱:shziyigf@163.com
地 址:上海嘉定区昌吉路工业园区
高压,超高压压力表
上海自动化仪表有限公司
>>
产品展示
压力表
高压,超高压压力表
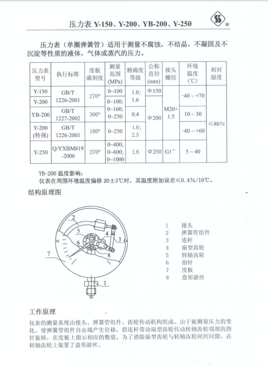
Y-250,0-400MPa超高压压力表
添加时间:
2026-02-23 11:51:59
电 话:021-5662 9198
邮 箱:shziyigf@163.com
介绍
浏览:
上一篇:
Y-200,0-100MPa高压压力表
下一篇:
无
Copyright ©:
上海自动化仪表有限公司
沪ICP备16032456号-1、沪ICP备16032456号-7
正版建站推广:千秋在线