网站首页
新闻资讯
企业新闻
行业动态
产品展示
热电偶
耐磨热电偶
铠装热电偶
防爆热电偶
防腐热电偶
装配式热电偶
炉壁热电偶
表面热电偶
压簧热电偶
铂铑热电偶
电站专用热电偶
热电阻
铠装热电阻
装配式热电阻
防爆热电阻
轴承热电阻
耐磨热电阻
端面热电阻
防腐热电阻
表面热电阻
双金属温度计
电接点双金属温度计
工业双金属温度计
远传双金属温度计
压力表
普通压力表
不锈钢压力表
抗振压力表
隔膜压力表
膜片压力表
膜盒压力表
不锈钢差压表
精密压力表
电接点压力表
氨用压力表
双针压力表
电阻远传压力表
高压,超高压压力表
压力变送器
压力|温度变送器
压力变送器
差压变送器
液位变送器
温度变送器
调节阀
电动调节阀
气动调节阀
偏心旋转调节阀
阀门定位器
空气过滤减压器
流量计
涡街流量计
电磁流量计
涡轮流量计
转子流量计
腰轮流量计
靶式流量计
质量流量计
气体流量计
流量计附件
刮板流量计
记录仪
无纸记录仪
有纸记录仪
执行机构
电动执行机构
气动执行机构
显示仪|调节仪
数字显示仪
数字调节仪
流量积算仪
温度远传仪
温度巡检仪
闪光报警器
氧含量显示仪
液位|物位|料位计
浮筒液位计
静压式液位计
电容液位计
浮球液位计
磁致伸缩液位计
射频导纳液位计
超声波液位计
雷达物位计
阻旋式料位开关
浮球液位开关
磁翻板液位计
钢索拉力计
压力流量|温度控制器
流量控制器
温度控制器
压力控制器
差压控制器
称重传感器|显示仪
称重显示仪
称重传感器
静态电阻应变仪
动态电阻应变仪
转速传感器|显示仪
转速显示仪
转速传感器
频率-电流转换器
手持数字转速表
转速记录仪
电流表电压表
电流表
电压表
频率表
功率表
高阻表
计时器
同步指示器
相序指示器
绝缘监测仪
辐射高温计
分厂导航
上海自动化仪表一厂
上海自动化仪表三厂
上海自动化仪表四厂
上海自动化仪表五厂
上海自动化仪表六厂
上海自动化仪表七厂
上海自动化仪表九厂
上海自动化仪表十一厂
上海远东仪表厂
上海自一船用仪表有限公司
上海转速表厂
上海大华仪表厂
上海华东电子仪器厂
技术支持
成果案例
联系我们
关于我们
产品分类
生产工厂
联系我们
高压,超高压压力表
上海自动化仪表有限公司
>>
产品展示
压力表
高压,超高压压力表
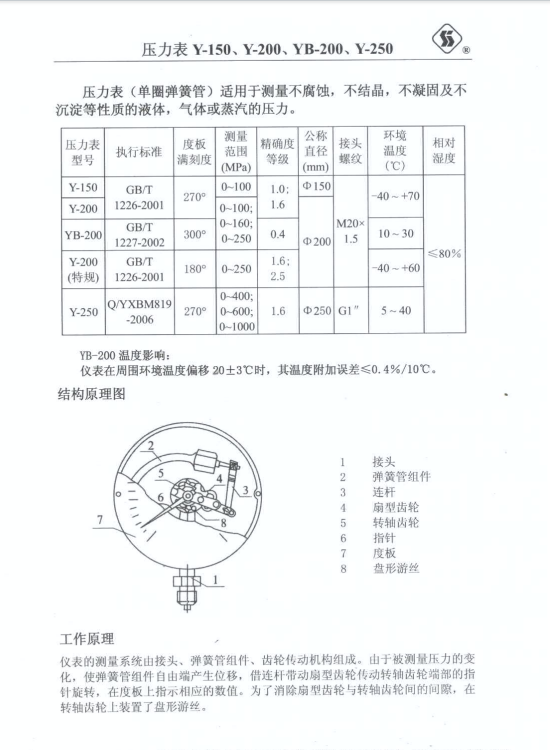
Y-250,0-1000MPa超高压压力表
添加时间:
2026-02-25 08:54:09
介绍
浏览:
上一篇:
Y-250,0-600MPa超高压压力表-上海自动化仪表五厂
下一篇:
无
Copyright ©:
上海自动化仪表有限公司
沪ICP备16032456号-1、沪ICP备16032456号-7
正版建站推广:千秋在线