高阻表特性:精度:1.5级环境温度范围:-25℃- +55℃外壳防护:按IP42/52耐振动:0.7g前面板尺寸:96x96mm仪表标度尺:白色底黑色刻度如需设定值可划红线。仪表安装:用四个对角支架
| 添加时间: | 2020-08-20 14:28:14 |
|---|
- 电 话:021-5662 9198
- 邮 箱:shziyigf@163.com
| 添加时间: | 2020-08-20 14:28:14 |
|---|
高阻表特性:
精度:1.5级
环境温度范围:-25℃- +55℃
外壳防护:按IP42/52
耐振动:0.7g
前面板尺寸:96x96mm
仪表标度尺:白色底黑色刻度如需设定值可划红线。
仪表安装:用四个对角支架固定
高阻表产品分类
| 产品型号 | 展开角 | 外型尺寸(A×B×C) | 开孔尺寸(mm) | 重量(kg) | 备注 |
| Q96-ZMΩ | 240° | 96×96×140 | 92+0.5×92+0.5 | 0.85 | |
| Q72-ZMΩ | 72×72×80 | 68+0.5×68+0.5 | 1.7 | 配附加装置 | |
| Q96-MΩ | 90° | 96×96×140 | 92+0.5×92+0.5 | 0.75 | |
| Q72-MΩ | 72×72×80 | 68+0.5×68+0.5 | 1.6 | 配附加装置 |
高阻表测量范围
| 高阻表 | |
| 测量范围 | 额定电压 |
| 0-5MΩ | 100V、127V ﹑220V、380V、400V、440V380V(经380/100V或380/127V.P.T接入) |
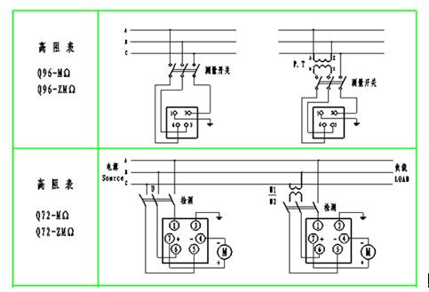
接线图

高阻表外形尺寸图
