| 添加时间: | 2020-08-22 09:09:47 |
|---|
- 电 话:021-5662 9198
- 邮 箱:shziyigf@163.com
| 添加时间: | 2020-08-22 09:09:47 |
|---|
精密压力表概述:
精密压力表主要用来校验工业用普通压力表也可用于精密测量对铜合金和合金结构钢等无腐蚀性、非结晶、非凝固的各种介质的压力。YB-150A型在标度线下设由镜面环,使一表读数更清晰准确,外形美丽新颖。准确度为0.4级。YB-150B型在标度线下设由镜面环,并带有调零装置。准确度为0.25级
精密压力表主要技术指标
准确度:0.4级、0.25级
使用环境条件:5℃~40℃;相对湿度不大于80%且震动和压力源的波动应对仪表的准确读数无影响。
温度影响:使用环境温度如偏离20±3℃(A型)或20±2℃(B型)时,则须考虑温度附加误差0.4%10℃
| 弹簧管材料 | 测量范围MPa |
| 锡磷铜管 | -0.1~0 0~0.1;0~0.16;0~0.25 0~0.4;0~0.6;0~1 0~1.6;0~2.5;0~4;0~6 |
| 铬钒钢 | 0~10;0~16 0~25;0~40;0~60 |
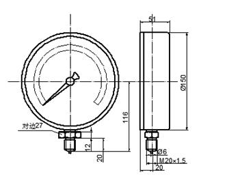
精密压力表外形尺寸


精密压力表使用须知:
1.仪表应垂直安装,并力求与测量点间保持同一水平位置,否则须相应地计入液位差所引起的附加误差。2.仪表使用环境温度如偏离20℃±2℃(0.25)或20℃±3℃(0.4)时,则须考虑温度附加误差。
3.仪表经常使用的压力应为其分度上限的2/3为宜。
4.仪表定期维修时如确需开启表盖着,宜借助专用工具进行。有零位锁紧、固定装置的仪表,须***在使用环境温度下放置2小时以上使用,有调零装置的,可进行调零后使用。