| 添加时间: | 2020-08-20 17:15:26 |
|---|
- 电 话:021-5662 9198
- 邮 箱:shziyigf@163.com
| 添加时间: | 2020-08-20 17:15:26 |
|---|
数字调节仪主要技术指标
· 具有程序控制,***大程度设定10段
· 美国定制专用微机电路(ASLC)。
· 精度等级0.3%FS±1dig
· 放大器零位自动软件校正技术,高精度低漂移。
· 自动/手动,双向无扰动切换。
· 齐全的输出和调节规律供选择。
· 带串行通讯接口 RS-232C、RS-422、RS-485。
· 采用E2 PROM,数据长久保存。
· 具有PLD自整定功能。
· 仪表输入输出与微机电路相互全隔。
· 采用SMT表面贴装技术。
● 数字调节仪 输入形式
热电偶
B:400~1800℃
S:0~1600℃
K:0~1300℃
E:0~800℃
T:0~400℃
热电阻
Pt100:-200~500℃
Cu50:-50~150℃
线性
0~10mA DC
4~20mA?DC
0~5V?DC
1~5V?DC
● 数字调节仪 输出形式
控制
二 位 式:不灵敏区范围0.1%~10%,继电器触点输出。
时间比例:周期1~200秒 比例带0.1%~400.0%
继电器触点输出
二 位PLD: 周期1~200秒 比例带0.1%~400.0%
积分时间:0~3600秒 微分时间:0~3600秒
继电器触点输出。
连续PLD: 例带0.1%~400. 积分时间:0~3600秒
微分时间:0~3600秒
0~10mA(4~20mA)DC输出
三位PLD: 不灵敏区0.0~10.0%可调
继电器触点输出
继电器动作范围0.1~10.0%
继电器动作周期1~200秒
阀位反馈信号0~10mA(4~20mA)DC
0~1KΩ电阻信号
逻辑输出:24V DC 20mA
固态继电器输出:容量2A 250V
● 数字调节仪 报警
二组继电器触点输出可工作上下限报警用
一路过程报警可用作系统的保险装置,即一旦测量值
大于过程报警设定值,仪表的输出值切道输出下限值。
● 数字调节仪 过程量输出
0~10mA DC、4~20Ma DC、0~5 DC、1~5V DC.
● 数字调节仪 供电电源
开关电源:86~264V AC 50HZ±5%
功 耗:6VA
提供变送器电源: 24V DC, 50mA
□数字调节仪 型号表示
XTM□-1□□□-□
| X | |
| T | |
| M | |
□ 面板尺寸 | A) 160×80横式 A(H)80×160竖式 D)96×96 F)48×96 |
| 1 | |
| □输出形式 | 0) 二位式:继电器触点输出 1) 时间比例:继电器触点输出 2) 二位PID:继电器触点输出 4(V)二位PID:逻辑输出24V 20mA 集电极开路输出 3) 三位PID:(反馈作阀位指示不参与调节) 5)(F)三位PID:(反馈与调节) 9)4~20 mA DC连续PID输出 9(10)0~20 mA DC连续输出 |
□ 报警功能 | 0) 无报警 1) 一路报警 2) 二路报警 |
□ 输入形式 | 1热电偶 B) 400~1800℃ S)0~1600℃ K)0~1300℃ E)0~800℃ T)-200~300℃ 2热电阻 Pt100 -200~500℃ Cu50 0~150℃ 3直流mV信号≥mA 4电阻信号(电阻差≥20Ω) 5线性输入 5(05)0~5V DC 5(15)1~5V DC 5(01)0~10 mA DC 5(42)4~20 mA DC |
□ 附加功能 | A) 自整定功能 D)带24V 直流输出 P)程序控制 T2)带RS-232通迅接口 T4)带RS-422或RS-485通迅接口 |
□ 数字调节仪 面板显示功能

1 上排显示器 7功能选择指示灯
2 功能选择键 8手/自动切换指示灯
3 加数键 9第二路报警指示灯
4 减数键 10第一路报警指示灯
5手/自动切换键 11阀门反转指示灯
6下排显示器 12阀门正转指示灯
□ 数字调节仪 外形及开孔尺寸 单位:mm
·XTMA-1000
·XTMA(H)-1000

·XTND-1000
·XTMF-1000
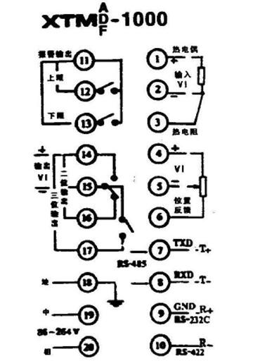
□ 接线端子图
·XTMA/XTMA(H)

·XTMD/XTMF
三位PLD输出
