D512/9D 双设定值压力控制器(上海远东仪表厂)控制器采用弹簧管式传感器,可用于腐蚀性气体和液体介质。控制器的设定值可调,调节范围1-40 Mpa。产品特点控制器压力控制范围大控制精度高切换差小
| 添加时间: | 2025-06-03 06:44:18 |
|---|
| 添加时间: | 2025-06-03 06:44:18 |
|---|
D512/9D 双设定值压力控制器(上海远东仪表厂)

控制器采用弹簧管式传感器,可用于腐蚀性气体和液体介质。控制器的设定值可调,调节范围1-40 Mpa。
产品特点
控制器压力控制范围大
控制精度高
切换差小
二组微动开关的切换值可分别设定
传感器适用腐蚀性介质(气体或液体)
主要技术性能
工作粘度:≤400 m m2/s
开关元件:微动开关二组
外壳防护等级:IP65
环境温度:-25~55℃
介质温度:0~80℃
安装位置:任意
抗振性能:Max:10m/s2
重复性误差:≤1%
触点容量:Vmax=380VAC Imax=6A阻性
Pmax=600VA
产品规格
设定值节范围MPa | 切换差不大于MPa | zui大允许压力*MPa | 开关切换次数次/分 | 压力传感器材料 | 接口外螺纹 | 外形尺寸图号 | 订货号 |
1-10 | 0.20 | 15 | 60 | 316L | G1/2” | 01 | 0860200 |
1-16 | 0.32 | 20 | 60 | 316L | G1/2” | 01 | 0860300 |
2-25 | 0.50 | 32 | 60 | 316L | G1/2” | 01 | 0860400 |
2-40 | 0.80 | 50 | 60 | 316L | G1/2” | 01 | 0860500 |
*在实际工作中,即使很短暂的压力峰值也不允许超出此值。
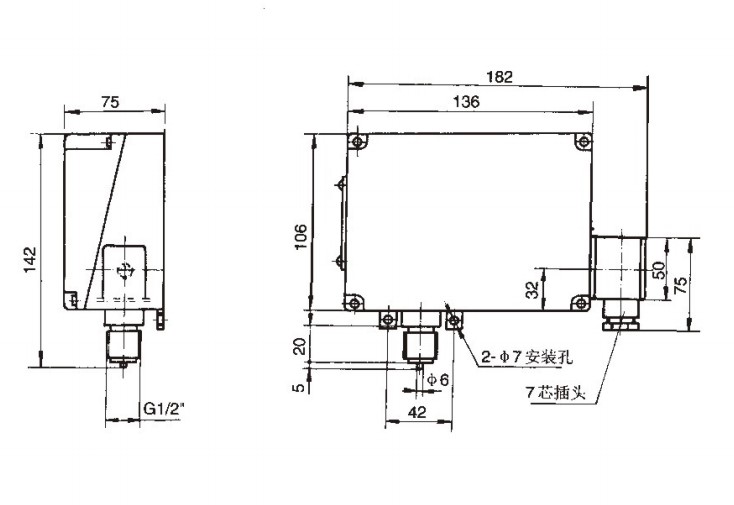
外形及安装尺寸
