| 添加时间: | 2020-08-20 16:52:12 |
|---|
- 电 话:021-5662 9198
- 邮 箱:shziyigf@163.com
| 添加时间: | 2020-08-20 16:52:12 |
|---|
阻旋式料位开关产品简介
适用于几乎所有的物料,适合于高温,压力,粉尘,防爆等场合安装简便快捷,使用可靠
阻旋式料位开关用 途
UZK系列阻旋式料位控制器适用于工业生产过程中敞开容器内料位的控制,当料位到达高、低极限位置时,控制器的继电器触点输出报警或控制信号。
控制器结构简单,工作可靠,使用维修方便,是一种较理想的简易料位控制仪表。
阻旋式料位开关特 点
马达扭力可调整。
并有打滑装置保护马达特殊油封设计,具有双层防尘。
防护等级:IP65
供电电源:220VAC 110VAC 24VAC 24VDC
触点容量:5A125VAC 3A250VAC
机型齐全,伸出轴长度可调整,耐高温350℃
防爆型 超小型 安装有螺纹和法兰
各种不同外形翼片,可供使用在不同场所
特殊规格也可配合客户需求定制
阻旋式料位开关工作原理
仪表有同步电机翼片 过载检测机构和微动开关等部分组成。当被测物料上升时,翼片旋转受到阻挡,使检测机构作微量转动,从而使拨动杆推动微动开关动作,发出报警信号,切断电机电源。
阻旋式料位开关 技术指标
| 技术指标 | 型 号 | ||
| UZK-02S | UZK-03S | UZK-04S | |
| 供电电源 | 220VAC 50Hz; 110VAC 50Hz; 24VDC; 24VAC | ||
| 测定粉体比重 | >0.5~0.9g/m³ | ||
| 触点容量 | 250VAC 3A; 125VAC 5A | ||
| 介质温度 | 普通型:-10-+80℃; 高温型:≤+350℃ | ||
| 旋转速度 | 2.5转/分 | ||
| 测量范围 | 固定安装位置决定 | 1m~2m | 2m~3.5m 3.5m~5m 5m~7m |
| 安装形式 | 螺纹或法兰侧壁水平安装或顶部垂直安装 | 螺纹或法兰顶部安装 | |
| 用途 | 上 下限报警 | 下限报警 | |
| 重量 | 约1.8kg | 约2.7kg | 3.6kg~5.4kg |
| 压力 | 0.2~1MPa | ||
防爆型式:d II BT5
防护等级:IP65
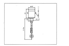
安装尺寸:螺纹 G 1 1/2”,
阻旋式料位开关 选型表格
| UZK- | 02S | 主要用于偶装 | ||||||||
| 型 号 | 03S | 用于顶装加长轴1-2mmm | ||||||||
| 04S | 用于顶装加长轴2-7mm | |||||||||
规 格 | P | 普通型:-10-+80℃ | ||||||||
| S | 高温型:≤350℃ | |||||||||
测 量 温 度 | Y | 0.2Mpa | ||||||||
| H | 1Mpa | |||||||||
| 测量压力 | N | 非防爆 | ||||||||
| D | 隔爆d II BT5 | |||||||||
| F | 粉尘 DIP DT T13 | |||||||||
| A | 220VAC 50Hz | |||||||||
| B | 110VAC 50Hz | |||||||||
| C | 24VCD | |||||||||
| D | 24VAC | |||||||||
| 电源电压 | A | 镰刀型 | ||||||||
| B | 小十字型 | |||||||||
| C | 方刀型 | |||||||||
| D | 十字加强型 | |||||||||
| E | 长方刀型 | |||||||||
| 翼片形式 | 1 | 螺纹安装G1 1/2 | ||||||||
| 2 | 法兰安装 PN1.6 DN40 | |||||||||
| 安装方式 | 1 | 加长转动轴加保护管 | ||||||||
| 2 | 管式转动轴 | |||||||||
| 3 | 摆动式转动轴 | |||||||||
| 4 | 钢缆式转动轴 | |||||||||
| 转动轴形式 | □□□□ | mm | ||||||||
| UZK- | □ | □ | □ | □ | □ | □ | □ | □ | □□□□ | |
注:特殊测量可定做
阻旋式料位开关翼片形式
A型
镰刀型,适用侧装的所有物料,
B型
小十字型:适用于顶装小颗粒物料
C型
方刀型:适用顶装小颗粒,也使用侧装大颗粒的,宽度W大于40时需要法兰安装
D型
十字加强型:适用顶装大颗粒
E型
铰链桨翼型,适用小颗粒,小比重,*********安装
5结构尺寸
02型

当UZK-02侧装时,出线螺母须***处于水平,以避免雨水从出线螺母 处渗入表内损坏内部器件。
当UZK-02用于侧装测下料位时,应选C D E型翼片,当料位高于下料位情况下出抖时,物料流动使用A型翼片有时会带动控制器转动发出虚假报警型号。选C D E型翼片时对称分布,物料流动不会造成旋翼转动。
UZK-02既可侧装又可垂直安装。不同的料位(包括比重大小颗粒大小),可选用不同的翼片来达到用户的要求。
加长轴型

加长转动轴长可选
03型管式
UZK-03适用于固体料位的检测,顶部垂直安装高料位中间适用于固体料位的检测,顶部垂直安装,高料位中间状态,或高料位检测;
04型管式
用于固体物料的检测,顶部垂直安装,低料位检测
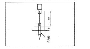
03,04型摆式传
摆式传动轴组件(延长抽)有两部分组成
(1)延长轴
(2)安装在传动轴上的连接弹簧,为了安装测量桨叶,延长轴上面每隔100mm钻一个孔,这样在不同的插入长度上就可以安装桨叶
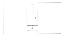
03,04钢缆式
钢缆式传动轴组件(钢缆式轴)由四部分组成
(1)8mm直径不锈钢缆,长度8m,
(2)寸套 (3)加紧环 (4) 配重
钢缆式传动轴组件L=2~7m,根据需要切断至所需长度
高温型

法兰安装

法兰尺寸

兰配合尺寸符合GB20592 PN1.6 DN40 法兰A制造尺寸见图
阻旋式料位开关安装与使用注意事项
安装事项

UZK 控制器在使用时,为了避免控制器的旋翼货传动轴被块状物料直接撞击,当仪表侧装时,应在控制器旋翼上方的容器壁上安装防护板,可用多种形式:A管的一部分截面 B钢板 C角铁。 当仪表在顶装时,可在控制器的长轴外套装保护管。或直接选用有连接弹簧的摆动式传动轴或钢缆式传动轴。
密度调整
密度调整弹簧的设定。密度调整弹簧有3个设定位置,***在必需时进行调整(由内向外)内位置用于密度物料中位置几乎对所有物料都适用外位置用于粗大物料出厂时设定在中间位置,用小钳子来调整弹簧。
阻旋式料位开关接线端子图
